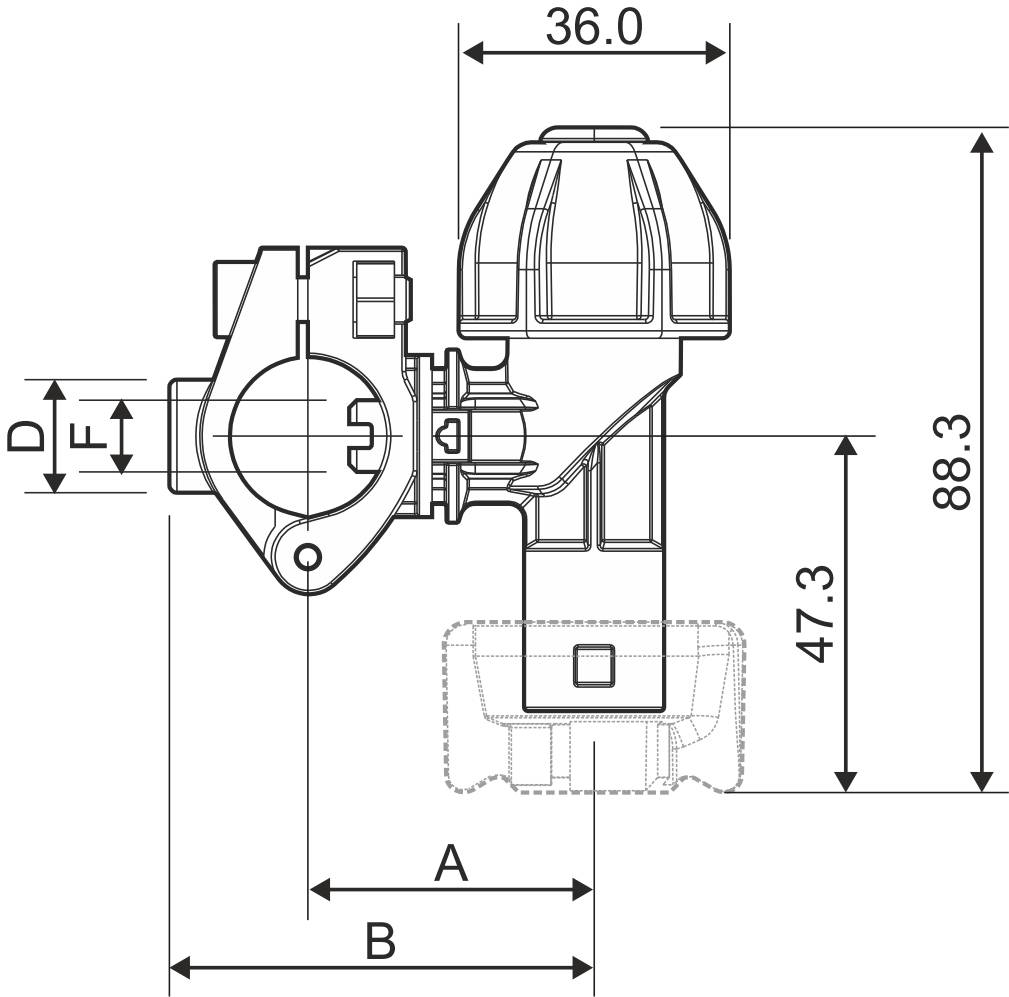
1/2"-10MM SZÓRÓFEJ BAJONETTZÁRAS, OLDALSÓ

TERMÉKKÓD: 4063745

2 983 Ft